heritage.site

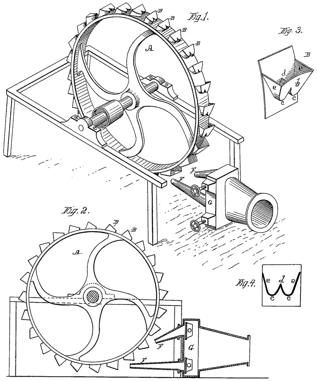
First Manufacturing Site of the Pelton Wheel

First Manufacturing Site of the Pelton Wheel First Manufacturing Site of the Pelton Wheel - Credit: Wikimedia Commons

The Miners Foundry (previously Nevada Foundry; Nevada Iron Foundry and Machine Shop, George Allan's Foundry and Machine Works, American Victorian Museum, Miners Foundry and Supply Company; currently Miners Foundry Cultural Center) is located at 325 Spring Street, Nevada City, California, USA. Built in Nevada County in 1856, it is a California Historical Landmark as, in 1879, the foundry became the first manufacturing site of the Pelton wheel. Read more on Wikipedia

Source: en.wikipedia.org